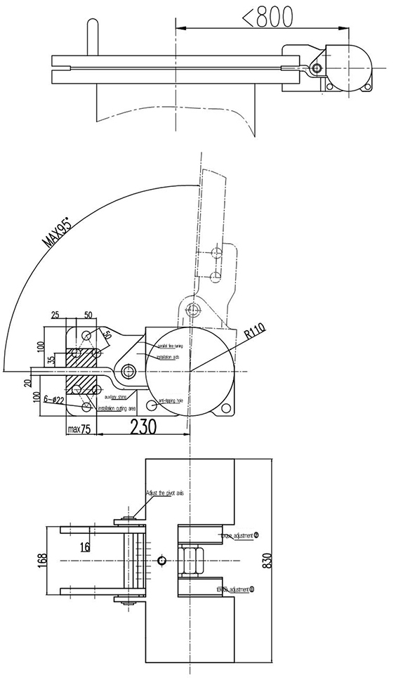
Diagramme d'installation

Description du paramètre
Poids: 305-420kg
Plage de couple: 244-335 kg.m
Diamètre: φ1140 mm
Instructions d'installation
1 、 Confirmez que la bride de trou d'homme et la couverture du trou d'homme sont à un dégagement minimum et mesurent la distance minimale entre le couvercle et la base.
2 、 Scribe et coupez la pièce de connexion de l'équilibre selon les dimensions mesurées. Coupez les trous de montage en deux à la distance de coupe maximale (illustrée).
3 、 Retirez les couvercles du côté gauche et droite, ouvrez le couvercle à sa position maximale à l'état protégé, vissez les goujons en haut du fil du réglage du couple 1, (généralement les goujons en haut et la plaque de croissant continue d'être dépassée de 5 mm après le contact) pour augmenter la force de précontrainte. Fermez le couvercle du trou d'homme à un état protégé pour lui permettre de reposer facilement avec la bride de trou d'homme entre 10 ° -20 ° (s'il n'est pas possible de garder le couvercle et la bride reposant facilement entre 10 ° -20 ° ° Répétez l'opération ci-dessus: ajustez la distance du haut de la soie. Lorsque le réglage du couple 1 a été terminé, le réglage du couple 2 peut être utilisé), le recouvrement de la plaque latérale et appuyez sur le goujon pour ajuster l'ampleur PTFE et la position de la couverture.
4 、 Soudage de résistance. Le matériel d'équilibreur est S30408 Remarque La sélection des consommables de soudage.
5 、 Une fois que le couvercle du trou d'homme est complètement ouvert et que les trous anti-pointes sont équipés des boulons appropriés, desserrez les boulons auxiliaires de montage et retirez les joints auxiliaires.
Note:
1 、 Pour l'installation non horizontale, déplacez la couverture du trou d'homme vers le haut d'une petite quantité et l'installation, cela réduira la quantité de désalignement.
2 、 Faites correspondre la plaque de connexion aux trous et dimensions indiqués lors de l'extension de l'installation. Peut être directement soudé ou boulonné (matériaux spéciaux).
RELATED
RELATED
RELATED
RELATED
Ce site Web utilise des cookies pour vous garantir la meilleure expérience sur notre site Web.